[Prev] [Next] [Contents] [Commodore] [New] [Home]

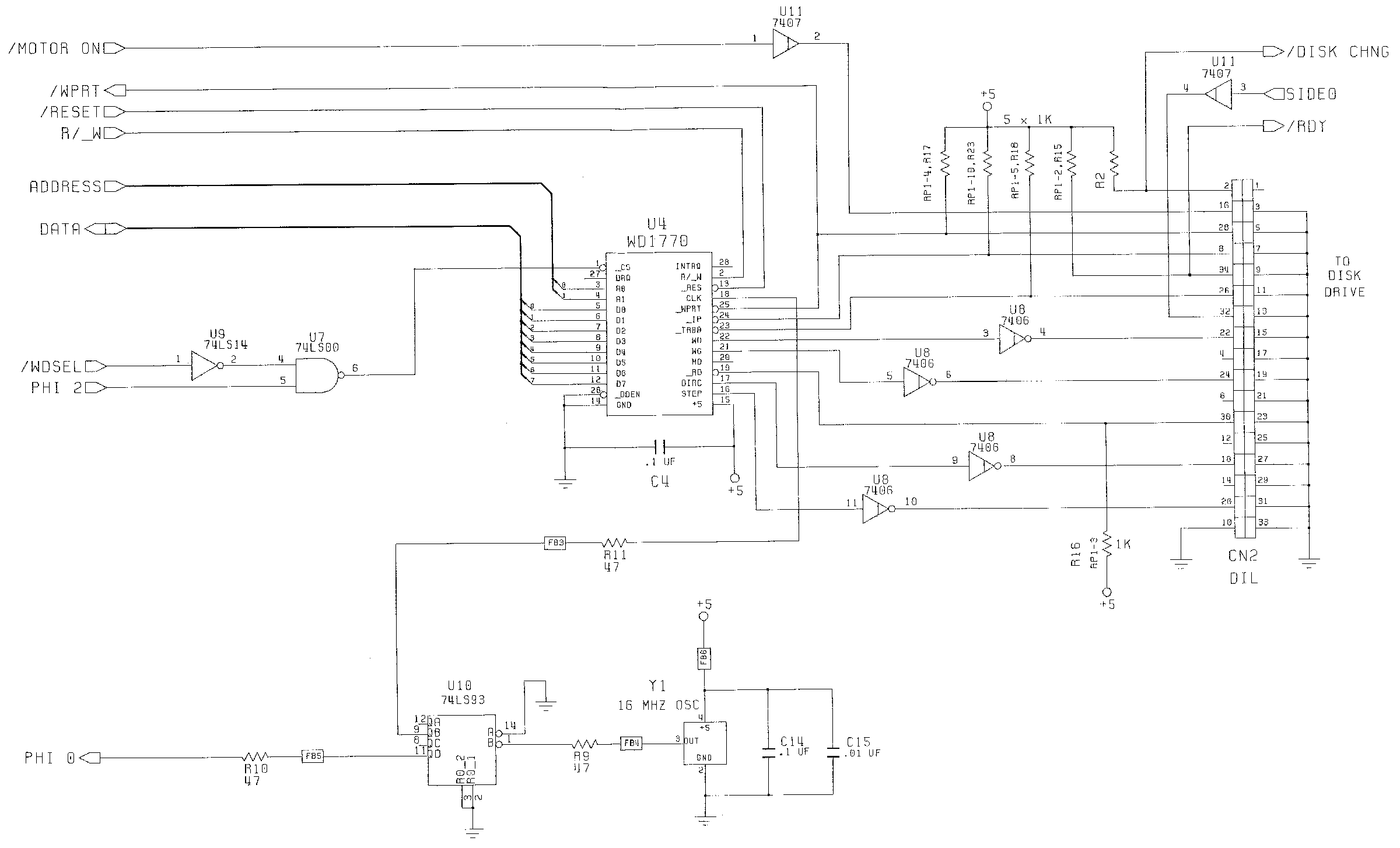
SCHEMATIC #252380 REV. 4
PCB ASSEMBLY #250471
Sheet 2 of 4

Schematic Diagram 2 of 4


[Prev] [Next] [Contents] [Commodore] [New] [Home]
This page has been created by Frank Kontros.
Last updated May 14th, 1999.